- 產品詳情
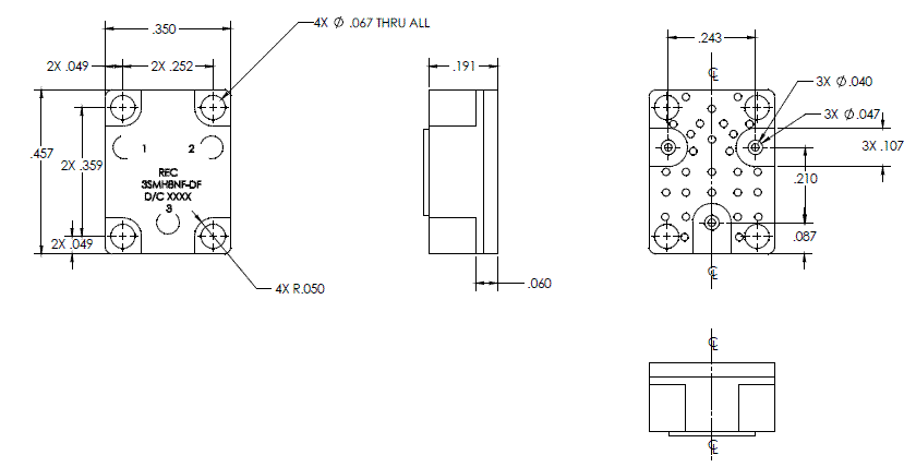
REC 的 3SMH8NFL是能處理10W功率的X波段表面貼裝環行器,它的工作頻段在9.3 - 9.5 GHz之間,損耗僅為0.6 dB,采用真正的表面貼裝技術(SMT)設計,所占空間極小,僅為0.457英寸×0.350英寸。而且,該環行器的設計具備很高的溫度穩定性,能夠在 - 55至100°C的溫度范圍內正常工作。
特點和優點
?真正的表面安裝共面設計
?低損耗,高隔離
?高溫穩定性
?拾取和放置兼容
?提高系統性能
?可用于高分辨率雷達和無線電應用
特性參數
頻率:9.3 - 9.5 GHz
插入損耗:0.6 dB
隔離度:20dB
VSWR (Max): 1.25: 1
功率:10w連續輸出,150w PK
溫度:-55℃~ 100℃
儲存溫度:-60°C ~ 120°C
尺寸:0.35 × 0.191 × 0.457 in
